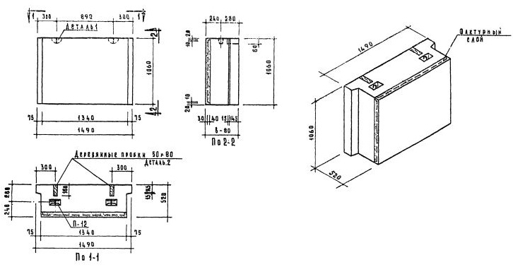
НБО-15.11.5

Чертеж изделия:
Чертеж НБО-15.11.5
Характеристики изделия:
ПараметрЗначение
Длина1490 мм
Ширина520 мм
Высота1060 мм
Масса1480 кг
Нормативный документСерия 1.133-1

Стеновые легкобетонные блоки толщиной 60 см по Серии 1.133-1.

НБО-15.11.5  Подоконный блок.