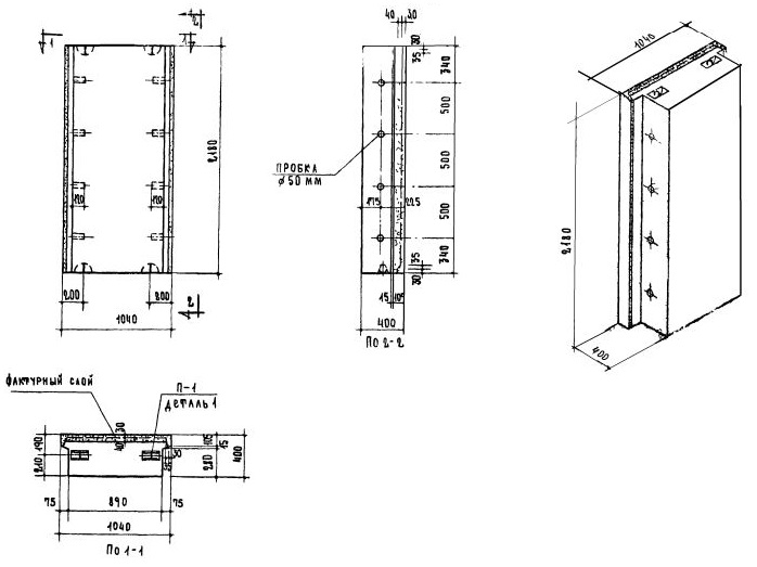
НБ-9.22.4-1

Чертеж изделия:
Чертеж НБ-9.22.4-1
Характеристики изделия:
ПараметрЗначение
Длина1040 мм
Ширина400 мм
Высота2180 мм
Масса1595 кг
Нормативный документСерия 1.133-1

Стеновые легкобетонные блоки толщиной 40 см по Серии 1.133-1.

НБ-9.22.4-1  Простеночный блок.