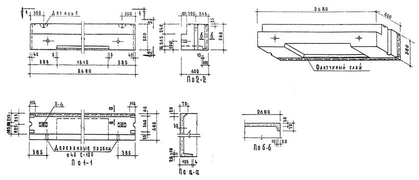
НБ-27.6.6П

Чертеж изделия:
Чертеж НБ-27.6.6П
Характеристики изделия:
ПараметрЗначение
Длина2680 мм
Ширина600 мм
Высота580 мм
Масса1580 кг
Нормативный документСерия 1.133-1

Стеновые легкобетонные блоки толщиной 60 см по Серии 1.133-1.

НБ-27.6.6П  Перемычечный блок.